Описание
Отзывы
Описание
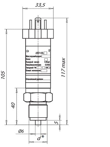
Преобразователи давления измерительные АИР-10L (далее
– АИР-10L) предназначены для непрерывного преобразования значений
абсолютного давления, избыточного давления жидких и газообразных, в
том числе агрессивных, сред в унифицированный выходной токовый сиг-
нал.
АИР-10L используются в системах автоматического контроля, ре-
гулирования и управления технологическими процессами.
АИР-10L выпускаются в двух обозначениях в зависимости от изме-
ряемого давления:
- АИР-10L-ДА – преобразователи абсолютного давления;
- АИР-10L-ДИ – преобразователи избыточного давления.
- АИР-10L-ДИВ – преобразователи избыточного давления-разрежения.
АИР-10L состоят из первичного преобразователя и элек-
тронного устройства. Среда под давлением подается в камеру первичного преобразователя и деформирует его мембрану, что приводит к изменению электрического сопротивления расположенных на ней тензорезисторов, включенных в электрическую цепь электронного устройства,
в результате чего первичный преобразователь выдает сигнал напряжения. Электронное устройство преобразует сигнал напряжения в унифицированный токовый выходной сигнал
– АИР-10L) предназначены для непрерывного преобразования значений
абсолютного давления, избыточного давления жидких и газообразных, в
том числе агрессивных, сред в унифицированный выходной токовый сиг-
нал.
АИР-10L используются в системах автоматического контроля, ре-
гулирования и управления технологическими процессами.
АИР-10L выпускаются в двух обозначениях в зависимости от изме-
ряемого давления:
- АИР-10L-ДА – преобразователи абсолютного давления;
- АИР-10L-ДИ – преобразователи избыточного давления.
- АИР-10L-ДИВ – преобразователи избыточного давления-разрежения.
АИР-10L состоят из первичного преобразователя и элек-
тронного устройства. Среда под давлением подается в камеру первичного преобразователя и деформирует его мембрану, что приводит к изменению электрического сопротивления расположенных на ней тензорезисторов, включенных в электрическую цепь электронного устройства,
в результате чего первичный преобразователь выдает сигнал напряжения. Электронное устройство преобразует сигнал напряжения в унифицированный токовый выходной сигнал
Отзывы
Отзывов еще никто не оставлял
