Описание
Отзывы
Описание
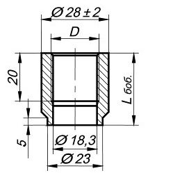
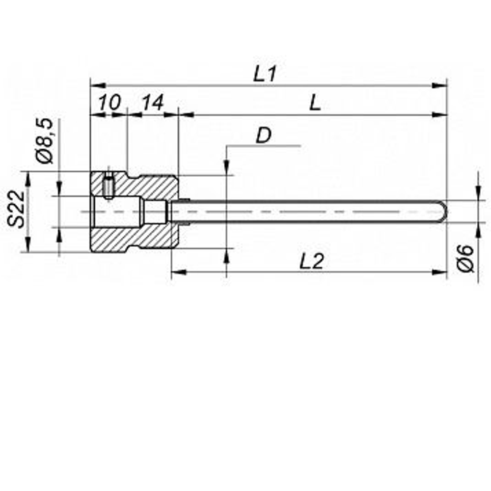
Термометры сопротивления из платины технические ТПТ-1 (далее - термометры) предназначены для измерения температуры твердых тел, жидких и газообразных сред. Описание средства измерений Принцип действия термометров основан на зависимости электрического сопротивления его чувствительного элемента от температуры. Термометры состоят из чувствительного элемента (ЧЭ), помещенного в защитную арматуру (корпус) и элементов подключения к внешней измерительной цепи (клеммной головки, разъема или выводящих проводников). В качестве ЧЭ используются проволочные чувствительные элементы ЧЭПТ-1 или тонкопленочные платиновые сенсоры. Термометры могут изготавливаться с одним или двумя ЧЭ (ТУ 4211-900-17113168-95). Подключение термометров к измерительным устройствам может осуществляться по двух-, трех- или четырехпроводной схеме. Для термометров, предназначенных для измерения температур до плюс 500 °С, монтаж ЧЭ внутри корпуса осуществляется проводниками, выполненными из серебра (С). Для термометров, измеряющих температуру до плюс 300 °С применяются внутренние проводники из провода ПНЭТ-имид (Н).
Отзывы
Отзывов еще никто не оставлял
